Onlangs was ik per toeval in een kringloopwinkel in de buurt van mijn woonplaats. Men had mij verteld dat ze daar altijd leuke dingen hadden, vaak uit Duitsland gehaald. Maar ook de aanwezigheid van erg behulpzaam personeel werd genoemd. Dus, ik heb me laten verrassen en waarempel, het klopte behoorlijk.
Aangezien mijn belangstelling eigenlijk alleen maar uit gaat naar oude radio spullen viel mijn oog op een portable radio die knoppen had die wel erg leken op de instelling van een oude flitser die ik nog steeds heb en gebruik. De Metz Mecablitz. Ja, en wat is het merk van de radio, jazeker, "Metz". De Baby 150. Ik kon de verleiding niet weerstaan het ding te kopen. Voor de prijs krijg je tegenwoordig drie glaasjes fris in de horeca.
Ik heb nooit geweten dat de firma Metz ook radio's maakte. Vandaar een kort stukje geschiedenis van de firma Metz:
Op 28 november 1938 richtte Paul Metz (24 januari 1911 - 20 november 1993) Transformator- und Apparatebau Metz (TAM) op in Fürth en begon met de productie van besturingseenheden, transformatoren en apparatuur voor spectrumanalyse. Tijdens de oorlog kwamen daar kortegolfzenders en -ontvangers bij. Daarvoor had TAM slechts een dozijn mensen in dienst .
In 1947 bouwde Metz de Postillon met enkel circuit [639494], aanvankelijk met de Wehrmacht RV12P2000-buis. De Kurier en de zescircuit "Meistersinger" volgden in 1948. Metz had inmiddels 200 mensen in dienst en introduceerde in 1949 een compleet assortiment radioapparatuur. Zou dat de Meistersinger die Maxwell in zijn assortiment had geweest zijn???
In 1950 werd de "Metz Baby" gecreëerd, een kleine draagbare radio, vergelijkbaar met die welke vanaf 1947 in de VS en Groot-Brittannië te vinden waren. Omdat Metz in Duitsland geen concurrentie had voor deze ontvanger, noemde het de "Baby" "een van de kleinste draagbare radio's ter wereld".
In 1952 begon Metz ook met de productie van flitsers. "Mecablitz" werd al snel marktleider op dit gebied in Duitsland. Het bedrijf had 900 mensen in dienst. Draagbare radio's met ingebouwde platenspelers waren eveneens kenmerkend voor Metz. Voor deze innovatie kreeg Metz een contract van Majestic USA om binnen een jaar 50.000 exemplaren te leveren (niet "Baby"). De 45-toerenplaat bestond immers nog maar een jaar. Vanaf 1954 produceerde het bedrijf ook televisies en in 1955/56 werd een model met ingebouwde radio geproduceerd.
Tot zo ver een stukje geschiedenis.
Door op de afbeeldingen te klikken verkrijgt U een groter beeld in een apart venster.
Het logo van Metz en daar boven de naam. Het bouwjaar is waarschijnlijk 1961/1962.
Reclame van de firma Metz.

De Metz "Mecablitz 45C" met het mooie instelrad.
Kijk, één van die mooie knoppen, de reden voor de aankoop. Er zit ook nog een vertraging op.
Het apparaat in volle omvang. Het riempje is wat aangetast en de verchroomde kapjes ontbreken. Ook na een schoonmaakbeurt waren de vlekken niet weg te krijgen.
De eigenschappen van het toestel.
De achterkant. Links één van de twee telescoop-antennetjes. Die moeten nog vervangen worden. Zes mm. diameter, wie heeft er nog wat ??
De uitsparingen in de kast om de knoppen te bedienen.
Aan de zijkant de entree's voor extra antennes en hoofdtelefoon.
De bedieningsknoppen, links de aan/uit-schakelaar met volumeregeling, dan de afstemming voor lange- midden- en korte-golf. In het midden de bandschakelaars en rechts hiervan de afstemming van de FM-band en daar naast de toonregelaar.
De onderkant met het batterijcompartiment. Er horen vijg dikke babycellen van 1,5 Volt in te zitten. Deze heb ik vervangen door twee Li-ion-batterijen van 3,7 Volt. Dat scheelt erg in gewicht, ze zijn oplaadbaar en leveren keurig de 7,5 Volt. De klep is wat beschadigd, maar is nog te bedienen.
Het binnenwerk uit de behuizing gehaald. Dat gaat allemaal erg simpel.
Een blik op de ferrit-staaf, een fors exemplaar met voor de middengolf een spoel met spaties gewikkeld.
De onderkant van de printplaat.
De print met de component-aansluitingen.
De bovenkant met alle componenten.
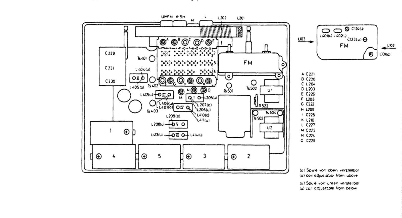
De componentenzijde met benaming.
Nogmaals de componenten. Onder de LF-versterker met fatsoenlijke in- en uitgangstraf's. Met daar naast de FM-afstemunit. Onder aan de fe-staaf de wikkeling voor de lange golf.
De ander kant van de printplaat met boven de drievoudige afstemcondensator.
Het spoelblok en de fe-staaf.
Zijaanzicht links met de LF-versterker.
De andere kant met de afstemcondensator en de aansluitingen voor een extra antenne.
Het klankbord met de luidspreker, redelijk groot van omvang voor een goede klankweergave.
De andere kant met de luidspreker.
Er is jammer genoeg verrassend weinig informatie over deze radio te vinden,
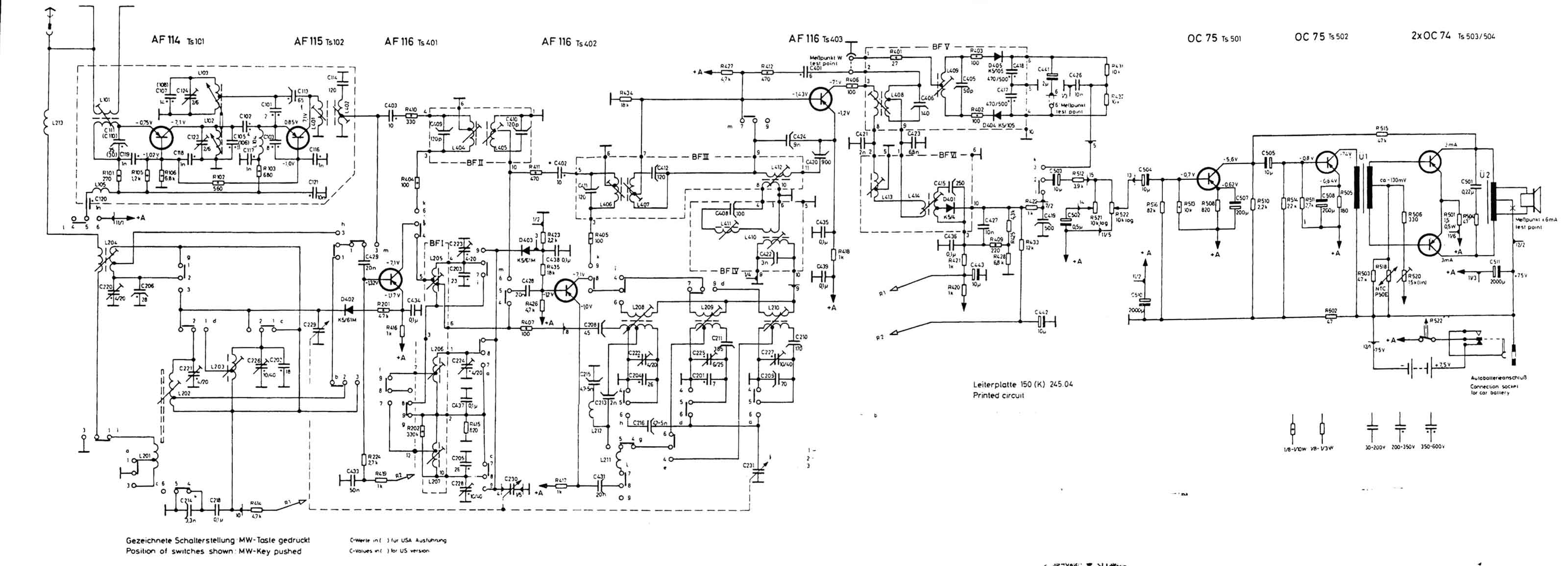
Alleen het schema is opgedoken.
Het schema.