De HUZ is een klassiek model uit de jaren 50, ontwikkeld in München bij Rohde & Schwarz en gebruikt in service-, laboratorium- en veldmetingstoepassingen In de historische productlijn van Rohde & Schwarz en verscheen rond 1954 als een van de eerste VHF-veldsterktemeters.
Typische toepassingen (toen)
Belangrijkste kenmerken:
De VHF-veldsterktemeter type HUZ is een klein, handzaam testapparaat dat een goed overzicht geeft van de veldsterkte van binnenkomende VHF-zenders. De toepassingen zijn veelzijdig. Zo kan het bijvoorbeeld worden gebruikt om de propagatieomstandigheden van een zender te bepalen en daarmee de meest gunstige locatie voor de zendantenne te bepalen. Metingen met de veldsterktemeter maken het ook mogelijk om snel de optimale locatie te bepalen bij het plaatsen van een ontvangstantenne, met name voor televisieantennes, waar de optimale locatie vaak alleen door middel van trial and error wordt vastgesteld. De HUZ wordt gebruikt voor het monitoren van zenders en voor het benaderend bepalen van de richting waar de zender is opgesteld. In het laboratorium wordt het onder andere gebruikt om oscillatorinterferentie te detecteren. Er kan een probe-antenne op worden aangesloten voor het onderzoeken van stoor-spanningen, met name ontstekings-storingen van motorvoertuigen. Het brede frequentiebereik van de HUZ-veldsterktemeter omvat zowel de VHF-radio- als de televisieband (band I en III) als de luchtverkeersleiding, politieradio en spraakcommunicatie voor vaste en mobiele diensten. Voor zendamateurs mooi voor het gebruik in de 50, 70 en 144 MHz banden. De kleine afmetingen en het lichte gewicht zorgen voor een hoge mobiliteit en gebruiksgemak, zelfs onder de meest uitdagende omstandigheden.
Het apparaat is een zeer gevoelige superheterodyne-ontvanger voor AM en FM met een audioversterker en kristalluidspreker. De antenne, een dipoolantenne met variabele lengte, is in ingeklapte toestand in het apparaat zelf opgeborgen. De veldsterkte wordt weergegeven door de stuurspanning in een buisbrugschakeling te meten; de kalibratie hiervan wordt uitgevoerd met behulp van een ingebouwde kalibratiegenerator in het midden van het frequentiebereik. Na het uitschakelen van de antenne kan de veldsterkte-indicator ook worden gebruikt voor spanningsmeting; hiervoor zijn een ongebalanceerde ingang van 60 Ω en een gebalanceerde ingang van 240 Ω beschikbaar. Het apparaat wordt gevoed door gasdichte, ingebouwde batterijen, die kunnen worden opgeladen met een getransistoriseerde lader, de BN 150126. De gebruiksduur op één lading bedraagt ongeveer 6 tot 7 uur. De lader kan ook worden gebruikt voor druppellading en daarmee voor netvoeding van de veldsterkte-indicator zonder schade aan de accu's te veroorzaken..
Door op de afbeeldingen te klikken verkrijgt u een vergroting in een nieuw venster.
Het toestel met ingechoven antennes.
Vooraanzicht .
Het meetinstrument. Boven de microVolt-schaal met daaronder de milliVolt-schaal. Het blauwe bereik heeft betrekking tot de toestand van de voedingsbronnen. De rode streepjes hebben te maken met de ijking van het toestel.
Het totale bereik staat hier zeer duidelijk aangegeven. De twee brede zwarte, vertikale balken bewegen met de afstemming mee en daartussen in staat de afgestemde frequentie. In bovenstaande afbeelding 145 MHz, midden in de amateur twee-meterband.
Om de werkzaamheden wat te veraangenamen kan ook meegeluisterd worden. De kristal-luidspreker is achter dit mooie gaas gemonteerd.
De linker kant met de grote knop voor het inschakelen van het apparaat. Eerst wordt de gloeispanning ingeschakeld, dan de anodespanning. Voor het ijken worden de twee andere standen gebruikt. De stand "Messen" is voor het uiteindelijke meten van de veldsterkte. Het oranje knopje boven deze schakelaar dient er voor om het electrisch nulpunt in te stellen. Deze knop kan zonder los te schroeven uit het gat getrokken worden. Dat is nodig omdat anders de frontplaat niet verwijderd kan worden. ( Om bv. buisnr. 7 te vervangen).
Boven nog drie potmeters voor de ijking van bereik I, II en III.
Dat zijn de drie banden die gemeten kunnen worden. Onder de keuze tussen AM en FM en de mogelijkheid de draaggolf of de storingen te meten. Voor de LF-weergave kan met de Lautstärke-knop het LF-volume ingesteld worden. Het is echter geen "Getto-blaster!!......
Rechts, de grote knop met de twee standen voor de ijking. Voor het demonteren van de frontplaat dienen alle knoppen verwijderd te worden. De kleine knopjes hebben een schroefje met een sleuf. Deze schroeven zijn in de as gedraaid en met een zeer klein schroevendraaiertje te verwijderen. Het is raadzaam eerst de twee grote knoppen te verwijderen, anders zijn de kleine erg lastig los te schroeven. Overigens zijn de schroeven van de grote knoppen op de zelfde wijze bevestigd alleen zijn dit geen schroeven met een sleuf, maar Amerikaanse met een soort inbusgaatje.
Het typeplaatje dat op de frontplaat gedrukt is. Het fabrikagenummer werd er later op gestempeld.
De rechter zijkant met boven de afstemknop en onder de antenne-aansluitingen.
Met de schakelaar in de bovenste stand is de dipool in gebruik. Naar onderen wordt overgeschakeld naar de antennebussen. De coax-connector voor 60 Ohm en de onderste twee bussen voor 240 Ohm lintlijn. Het komt er blijkbaar niet zo op aan gezien het "ongeveer"-teken. Dat klopt ook wel het is een veldsterkte meter die niet met absolute meetwaarden werkt. Het gaat hier om het vast stellen van de maximale spanning die dan vergeleken kan worden met ander meetlocaties of zender instellingen. Het ziet er allemaal "Duits degelijk" uit. De firma Rohde & Schwarz heeft altijd een goede naam gehad. Vooral het gewicht speelde nooit een belemmerende rol bij het ontwerpen van de apparatuur. Dit kastje weegt echter maar ca. vier kilo. Dat valt erg mee.
De afstemknop en daar boven het handvat van de uitschuifbare dipoolantenne. Door op de groen in te drukken kunnen de beide dipoolhelften horizontaal gezet worden.
De antenne in half uitgeschoven toestand, hij moet eigenlijk vol uit getrokken worden, dat was echter fotografeertechnisch wat lastig.
Na op de groene knop te hebben gedrukt kunnen de beide helften horizontaal gezet worden. Nu is het nog zaak de beide helften op een kwart golflengte in te stellen, dus voor de tweemeterband op 300/145 gedeeld door 4 = 52 cm. per dipoolhelft. Ook hier komt het niet op een paar centimeter meer of minder aan.
De linker kant.
De onderste bus is voor de aansluiting van een hoofdtelefoon. De beide bovenliggende bussen waarschijnlijk allebeide voor aarding. Maar dat heb ik nergens kunnen vinden.
De achterkant met een schroefdraad om de ontvanger op een statief te bevestigen bij gebruik van externe antennes. Aan de onderkant is ook zo'n schroefbus om het toestel rechtop te zetten. De draad is de zelfde die ook voor fotoapparaten gebruikt wordt. Verder is een driepolige connector aanwezig voor de aansluiting van het externe llaadapparaat om de ingebouwde accu's op peil te houden.
Het binnenwerk.
Zoe ziet ,na het verwijderen van de achterwand, het binnenwerk er uit. Die achterwand is met slechts twee schroeven bevestigd. De kabel met de connector wordt in de voeding gestopt die aan de achterwand is bevestigd.
De component-opstelling.
Boven de afschermkap van de afstemming, dat zijn regelbare zelfinducties. Daaronder een lege, zwarte buisvoet. Dat is buis no.2 de oscillator. Als buis hiervoor dient een triode en wel de DC70. Dat is een "penciltube", deze is ook te vervangen door een 6375. Vanwege de robuustheid en de kleine afmetingen is deze buis uitermate geschikt als oscillator voor hoge frequenties. Alleen, ik zal er een moeten bestellen, hij ontbreekt. De buis rechts ervan is de mengbuis die het antennesignaal omzet naar een middenfrequentie van 10,7 MHz. De MF-versterker is met vier buizen een zeer krachtige versterker. Het AM-signaal wordt voor de discriminatorbuis afgetakt. Voor meer bijzonderheden zie het manual dat bij de documentatie gevoegd is.
De grote trommel met daarop de schaal. Zie ook de grote wieloverbrenging met slipkoppeling bovenin.
Rechts boven de LF-versterker met de uitgangstrafo links van de bovenste buis. Daaronder het meetinstrument, een draaispoelmeter met een gevoeligheid van 20 microampère. Het gehele chassis is verzilverd.
Op deze foto de volumeregelaar met de keuzeschakelaars AM/FM en draaggolf of stoorsignaal.
Hier is te zien hoe de uitschuifbare antenne in de kast is opgeslagen.
De voeding, uitermate modern met transistoromvormer voor de 67,5 Volt anodespanning. Het apparaat werkt met oplaadbare batterijen die in een houder aan de linkerkant bevestigd worden.
Op bovenstaande foto de bevestigde batterijen. Deze levert de 1,5 Volt voor de gloeidraden en de 7 Volt voor de omvormer.
De voeding met de transistoromvormer. De stuurtransistor, een AC124 is ook nog voorzien van een soort referentiespanning. Waar die zit heb ik niet kunnen ontdekken.
De beelden van de lader zijn van Radiomuseum.org
De externe voeding.
Het is een druppellader.
De driepolige aansluitplug die in de achterwand gestoken wordt.
Het binnenwerk van de lader.
Toen de hogere band voor de televisie in bedrijf kwam moest R&S als de wiedeweerga de ontvanger aanpassen. Het karwei werd uitbesteed aan de firma Schwarzbeck-Mess-Elektronik in AltNeudorf. Het apparaat is geschikt om signalen op de frequenties van 470 tot 850 MHz te meten.
Het was een "Vorsatz" ofwel converter die de naam UHV kreeg.
De foto's van de converter zijn afkomstig van Radiomuseum.org

Daarvoor werd deze converter op de bovenkant gemonteerd.
De bovenkant van dit apparaat.
Het binnenwerk. In de metalen doos bevindt zich de converter, waarschijnlijk een bestaande unit uit een TV-toestel, rechts de omvormer van 6 naar 12 Volt..
Dit is een kabel voor de voeding of voor het uitgangssignaal ??? Fabrikage datum 1-4-1963. Toen waren UHF-transistoren nog heel duur!!
De schaal van de converter.
De UHF-converter , aangezien de schakeling op een 12 Volt-voeding was gebaseerd ( waarschijnlijk een bestaande unit) moest de 6 Volt voedingsspanning van de HUV omgezet worden naar 12 Volt.
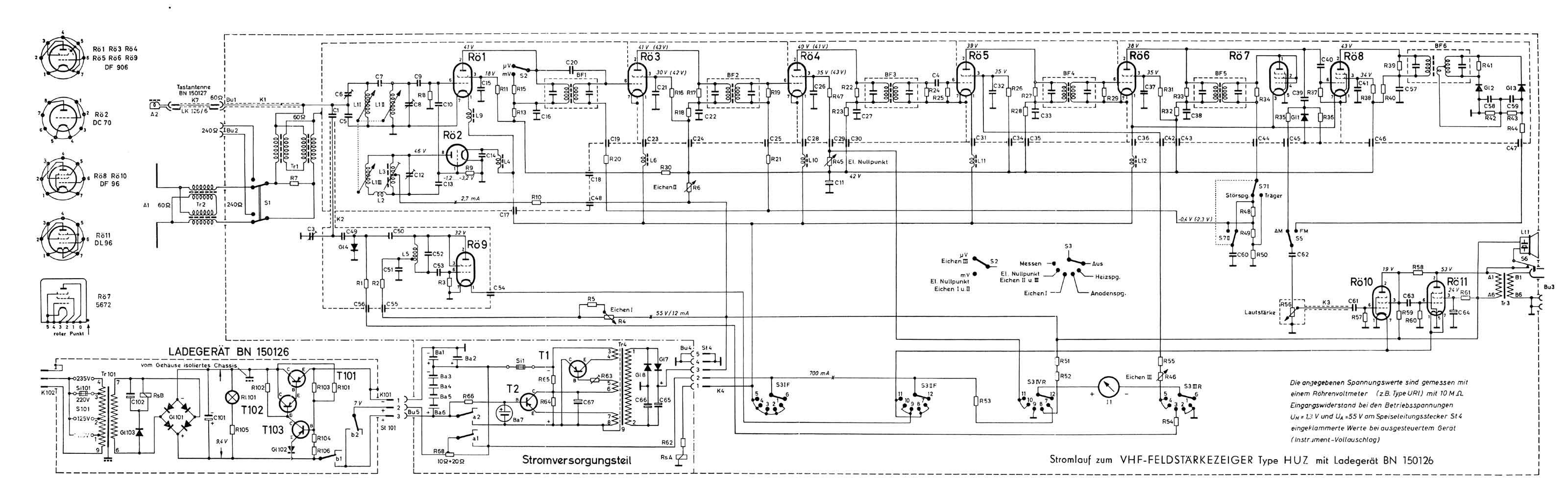
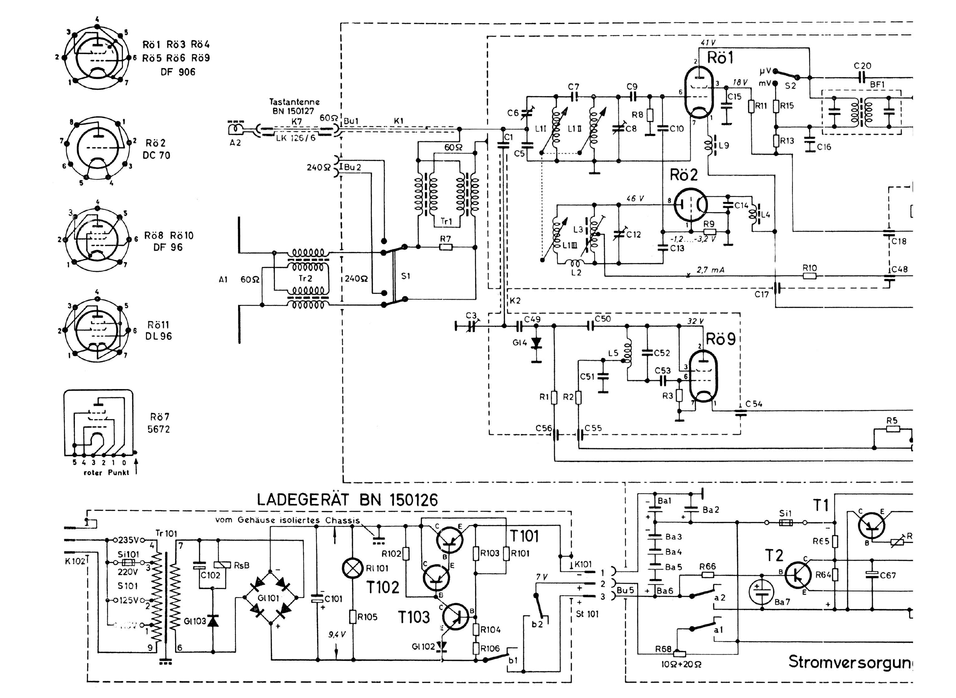
Het ingangsgedeelte met oscillato Rö2(DC70), mengtrap Rö2 (DF906) en ijkoscillator Rö9 (DF906). Daaronder het laadapparaat met daarnaast gedeeltelijk de transistoromvormer , de voeding van het instrument.
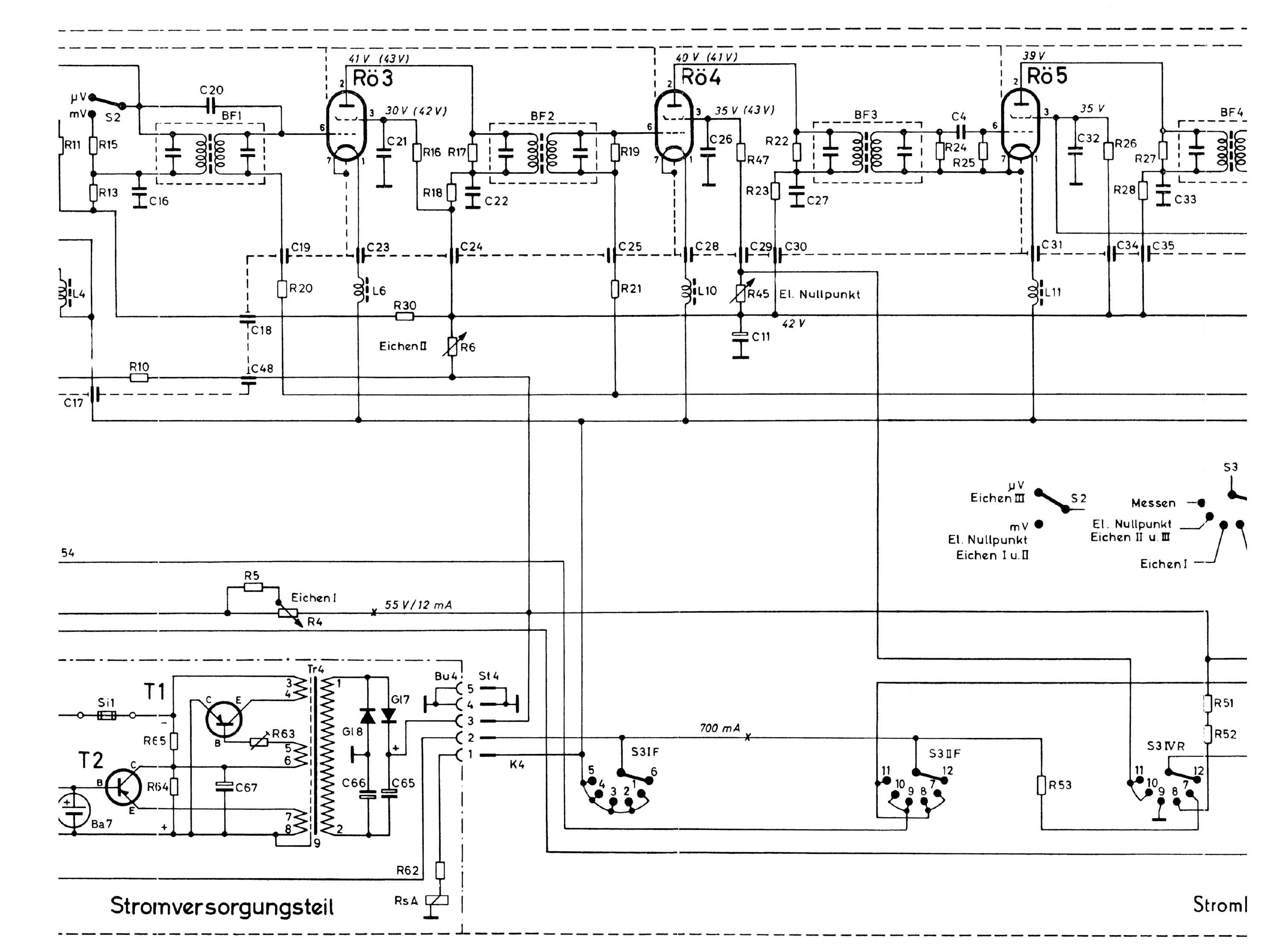
De rest van de voeding en een deel van de MF-versterker. De buizen zijn van het type DF906.Er zijn hier vier bandfilters voor het 10.7 MHz signaal toegepast.
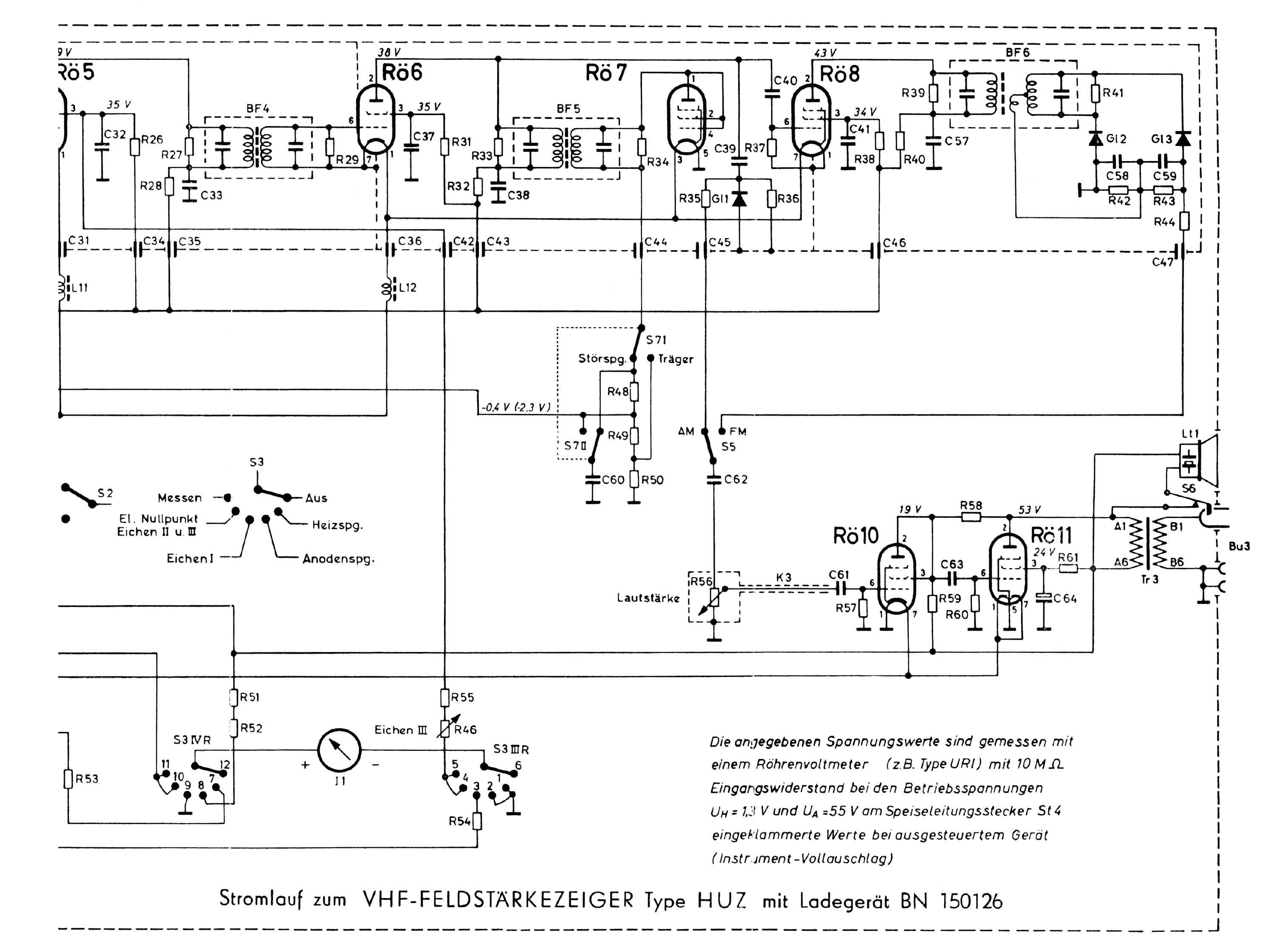
De vijfde MF-trafo met AM-detector Rö7 (6572). Dat is ook een pencil-tube. Deze kan alleen losgesoldeerd worden wanneer de frontplaat verwijderd is. Rö8 (DF96) versterkt het MF-signaal nog eens om dan met behulp van de discriminatorspoel (BF6) gedetecteerd te worden voor FM-ontvangst. Rö 10 en 11 vormen samen de LF-versterker waarbij Rö10 een DF96 is en de eindbuis Rö11 een DL96.
Hierbij nog het totale schema.
De pdf van het manual, de eerste twee bladzijden ontbreken.