De Precision Apparatus Co. Signal Generator Model E-200-C

Inhoudsopgave:

Inleiding.

Een HF-meetzender van Amerikaanse afkomst. Het apparaat werd gefabriceerd door Precision Apparatus Co. (Pacotronics); Brooklyn - Elmhurst - Glendale, NY / Chicago, IL

Geschiedenis:
In 1932 vormden Solomon M. Weingast en Murray I. Menther een partnerschap (50-50%) onder de firmanaam Precision Apparatus Corporation. Op 27 maart 1946 werd het partnerschap omgezet in een vennootschap onder de naam Precision Apparatus Co. Inc.
In november 1951 werd Precision Apparatus verboden om valse, misleidende en bedrieglijke beweringen te doen over hun instrumenten uit de series 910, 912, 915, 620 en 922, ze waren daar klaarblijkelijk wat te enthousiast met hun reclame voor buizentesters.
In de zomer van 1954 verhuisde Precision van Elmhurst naar een nieuwe fabriek in Glendale, Long Island. De nieuwe faciliteiten bestonden uit ongeveer 1990 m² en ongeveer 1300 m² extra open ruimte. Er was ook ruimte voor Pace, de dochteronderneming van Precision voor meters en andere elektrische instrumenten.
In een procedure voor het Hooggerechtshof van New York op 27 december 1956 diende Precision met succes een verzoekschrift in tegen Precision Meter Co. wegens oneerlijke concurrentie, waardoor laatstgenoemde werd verboden de naam Precision Meter Co. nog langer te gebruiken.
Vanaf circa 1959 was PACO Electronics de kitdivisie van Precision voor de verkoop van meetinstrumenten en hifi-apparatuur in bouwpakketvorm.
Rond 1967 werd Precision verkocht aan Dynascan, maar bleef als divisie bestaan. 

Door op de afbeeldingen te klikken verkrijgt u een vergroting in een apart venster.

De E-100 van 1938.

Reclame voor de Series E-200 signaalgenerator.

De tube-testers waren al vanaf ca. $ 30 te koop. Maar ja, misleidende advertenties......

Ook voor oscilloscopes schrokken ze niet terug. In oude "Radio Bulletins" werd er nog wel eens geadverteerd met deze apparaten. Maar voor simpele radioamateurs waren deze dingen iets te hoog gegrepen, vooral wat de prijs betreft. In Dollars was het niet zoveel, maar omgerekend naar guldens was het met de toenmalige inkomens een aardige rib uit je lijf.

De E-200-D, nu van de firma Dynascan Corporation B&K Precision. Dynascan is inderdaad de laatst aangetroffen firma die Precision-spullen maakt.

 

Terug naar inhoudsopgave.

 

De voorzijde.

Daar staat hij , de Signal Generator, gemaakt in Elmhorst USA. Dit is dus een vrij vroeg exemplaar, niet de eerste, die was met nog oudere buizen uitgerust.

Het vooraanzicht van dit indrukwekkende instrument. Hij weegt ook wel wat, maar dat is eerder het gewicht van de metalen kast dan van het binnenwerk.

Het meest in het oog springend is de grote schaal met daarop de schaalverdelingen van de acht banden. In werkelijkheid zijn het echter zes banden. De stand F wordt ook gebruikt met de tweede en vierde harmonische.

Bereik van kHz tot kHz Nr. Harmonische
A 90 250 grondgolf
B 220 600 grondgolf
C 550 1700 grondgolf
D 1600 5000 grondgolf
E 4200 12000 grondgolf
F 9000 30000 grondgolf
F1 18000 60000 1. harmonische van F
F2 36000 120000 2. harmonische van F

De bovenste regelaar is de grofinstelling van de amplitude van het HF-signaal. Met de R.F. Control-2 kan een fijnafstelling gemaakt worden. De twee "microfoon"-pluggen presenteren het uitgangssignaal. De LOW-uitgang direct vanaf RF-Control-2 , de High-uitgang heeft een in serie geschakelde weerstand van vier kOhm.

Op de bovenste MOD-CONTROL, kan de modulatiediepte ingesteld worden. Daaronder een bijzondert knopje. De AVC-control. Het is de Aan/uit-schakelaar van het instrument , maar er kan tevens een regelbare, negatieve spanning ingesteld en gebruikt worden om de AVC-spanning in het af te regelen toestel te simuleren. Daarbij moet deze spanning direct op de AVC-lijn gezet worden en deze lijn moet losgemaakt worden van het AVC-signaal dat van de detector afkomstig is. Onder het veel gebruikt is??? Ik betwijfel het. Onder de twee bussen met de AVC-spanning. De bussen hebben een afwijkende maat, ongeveer die van de meeste, oude, meetpennen van een universeelmeter, ca 1,5 mm.

Links de Bandselector en rechts de keuzeschakelaar voor een ongemoduleerd HF.signaal of gemoduleerd met een 400 Hz LF-signaal waarvan de mod.-diepte met de rechter knop (boven) is in te stellen. Je kunt ook nog kiezen uit een externe modulatiebron.  In de stand 400~ Audio staat op de bussen GND en High een LF-signaal van 400 Hz dat eventueel voor het testen van de LF-trap van de af te regelen ontvanger gebruikt kan worden. Links onder de "Pilot"-lamp en rechts de netzekering.

Het typeplaatje. Deze generator werd nog in Elmhurst gemaakt en is waarschijnlijk van voor 1954.

Het typeplaatje met serienummer 41417, de nummering is waarschijnlijk bij 40000 begonnen om indruk te maken op de concurrentie.

Om de generator te ontkasten moeten de twaalf schroeven van het voorfront losgedraaid worden. Verder zijn aan de achterkant nog twee schroefjes waarmee het voedingsgedeelte aan de kast wordt vast gezet. Het is ook handig het netfilter dat ook aan de kast vastgemaakt is los te maken. Dat zijn ook twee schroefjes.
Het resultaat ziet op onderstaande afbeeldingen.

Terug naar inhoudsopgave.

 

Het binnenwerk.

Achteraanzicht met links onder het netfilter, dan de voeding en LF-generator. Rechts het HF-gedeelte.

Zo hoort de generator er uit te zien. De gelijkrichter achter de lichte behuizing van de LF-transformator.

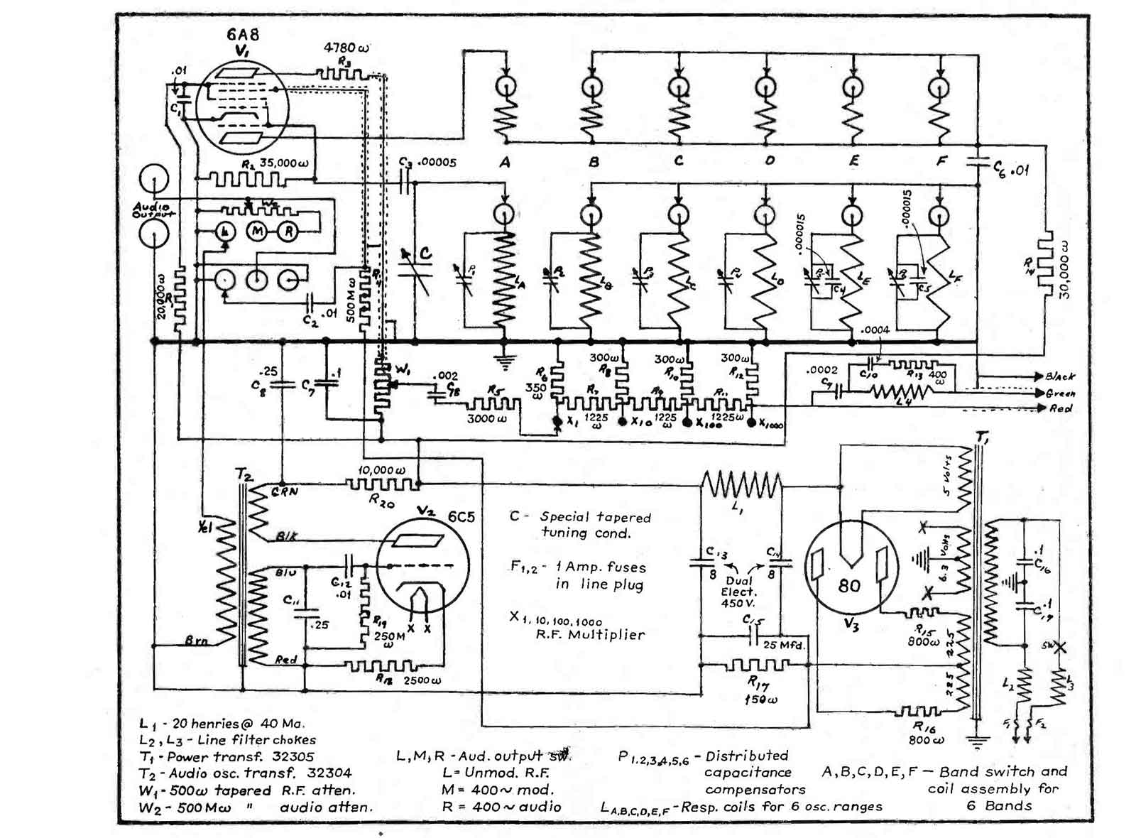
De oscillator van de E-100 met een 6A8  (oktode) met top-aansluiting. ( 1938 !!)

Links de aansluitingen van het netsnoer. Dan de twee VHF-smoorspoelen die weer verbonden zijn met twee HF-smoorspoelen. Van daaruit gaat het naar de aan/uitschakelaar en de voedingstrafo.De twee aansluitpunten voor de voeding van het binnenwerk zijn nog met twee "ratel-condensatoren" ontkoppeld. Dit zijn papier-condensatoren die het best kunnen worden vervangen. Het geheel is ondergebracht in een koperkleurig blikken kastje.

De bovenste potmeter is voor de instelling van de modulatiediepte. De potmeter eronder met de aan/uit-schakelaar voor de netspanning is de regelaar van de negatieve AVC-spanningsvoorziening.

De linker aluminium doos is de LF-transformator van de 400 Hz-oscillator. Rechts daarvan de 6J5 van de LF-oscillator.. De gelijkrichter is vervangen door vier 1N4007 dioden in een brugschakeling. De plaats, waar de gelijkrichtbuis ( 5Y3 of een 80) eigenlijk hoorde is bezet door een extra afvlakcondensator. In de latere modellen werd de  LF-triode vervangen door een mengbuis (6U8). Het heptode-gedeelte werd gebruikt als LF-oscillator van het Wienbridge-principe. Dat scheelt weer in gewicht, want de LF-trafo is verdwenen. Het triodedeel werkte als katodevolger voor het leveren van de LF-uitgangsspanning.

Aan de andere kant de afstemcondensator en de beide potmeters voor de regeling van de HF-spanning. De bovenste voor de grofregeling en de onderste voor de fijnafstelling. Alles netjes in een (weer) goudkleurige, blikken behuizing.

De afstemcondensator.

Dan de HF-oscillator. Wel handig bedacht, alles op de zes-standenschakelaar gemonteerd.  dfe buis in het midden, allemaal mooi korte draadafstanden en goed toegankelijk voor de ijking.

Zijaanzicht van de oscillator. Er is gebruik gemaakt van een soort desoldeer-litze om alle gemeenschappelijke verbindingen van de spoelsets met elkaar te verbinden.

De afstem-condensator. 350 pF. Verbonden met een vertraging aan de afstemknop. Het zwarte ding boven op de C is een dikke rubberbuis die er voor zorgt dat de afstem-C in de uiterste stand (min. capaciteit) niet hard op de eindbegrenzing klapt.

De zijkant van de LF-oscillator en voeding. Op de plek van de meest linkse elco hoort eigenlijk de gelijkrichter te zitten.

De onderkant.

Hier is een deel van de modificatie te zien. De vier diodes zijn net rechts boven de zekeringhouder te zien. De fel gele draden zijn ook niet origineel.

Dit is uitvoering met de LF-trafo onder het chassis. De gelijkrichter op de plek van de 6J5 en de 6J5 aan de kant van de afvlak-condensatoren.

Er zijn dus nogal wat varianten met de zelfde naam, E-200-C............

De oscillator vanaf de onderkant.

Een blik op de onderkant van het spoelencaroussel.

De onderkant van de afstemcondensator.

Bovenaanzicht.

Het HF-gedeelte. Hier is de rubber buffer op de afstem-C goed te zien.

Het LF-gedeelte met in het midden de voedingstrafo met zeven ontluchting-gaatjes.

Om het geheel compleet te maken, de rechter zijkant.

En natuurlijk de linker zijde.

Terug naar inhoudsopgave.

 

Schema's

De Eerste generator van de E-100 serie met 6A8, 6C5 en 80.

Het schema van het op deze pagina getoonde instrument, dwz. zoals het origineel in elkaar zat. C1 is de afstemcondensator. Verder spreekt het schema voor zich.
Dit is de versie met de buizen 6SJ5, 6C5 en 5Y3 of 80.

Voor de restaureerders en reperatuers, enkele waarden van gemeten spanningen.

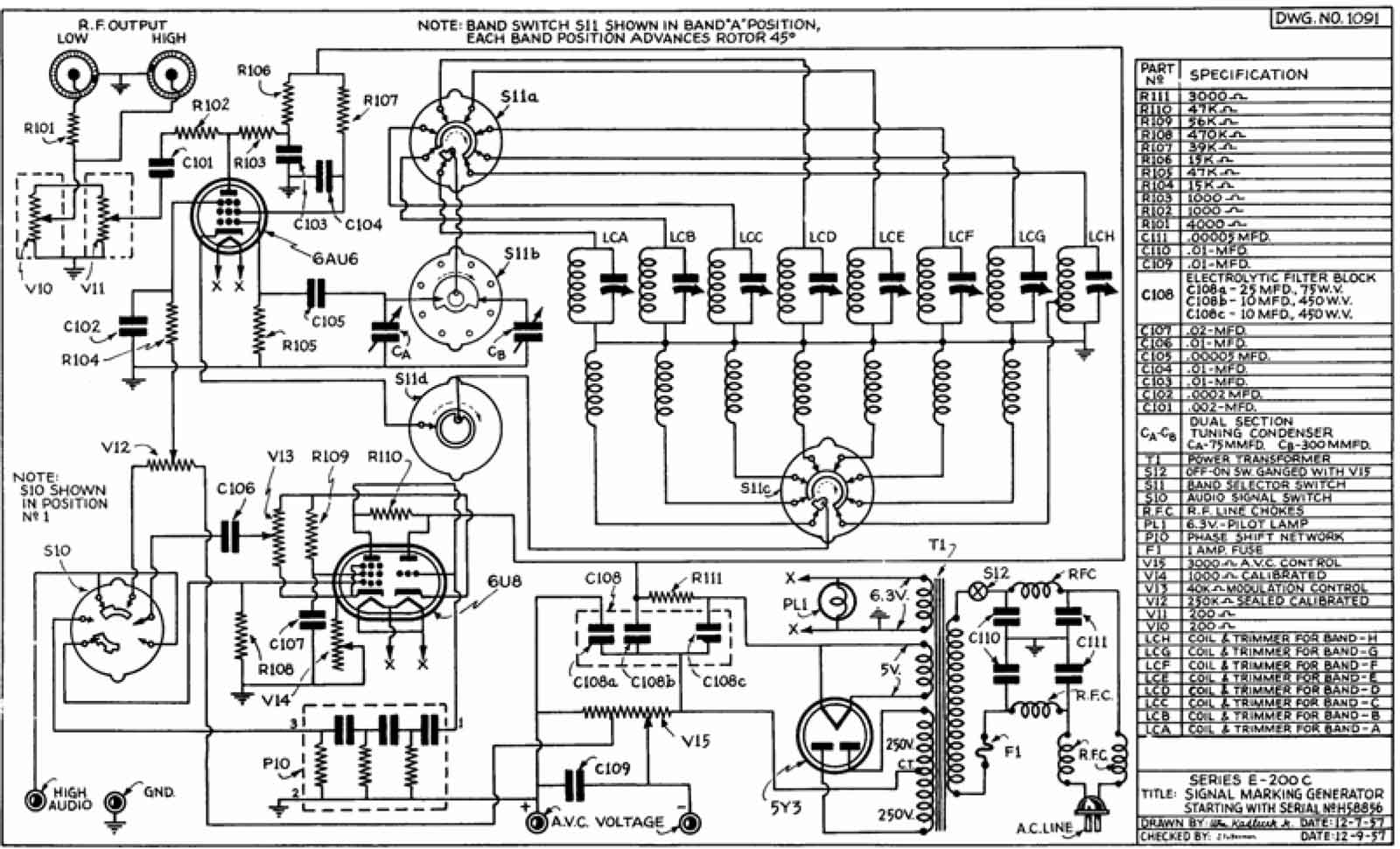
Ook het model E-200-C, maar dan in een moderner jasje van ca. 1957. Dit apparaat kwam ook uit Glendale en niet meer uit Elmhurst.

Het instrument heet nu ook Signal-Marking Generator.

Dit is de uitvoering van 1957 met modernere buizen. De opstelling in het voedingsdeel is ook helemaal veranderd.

 

Het schema van de modernere uitvoering van 1957 met 8 banden.

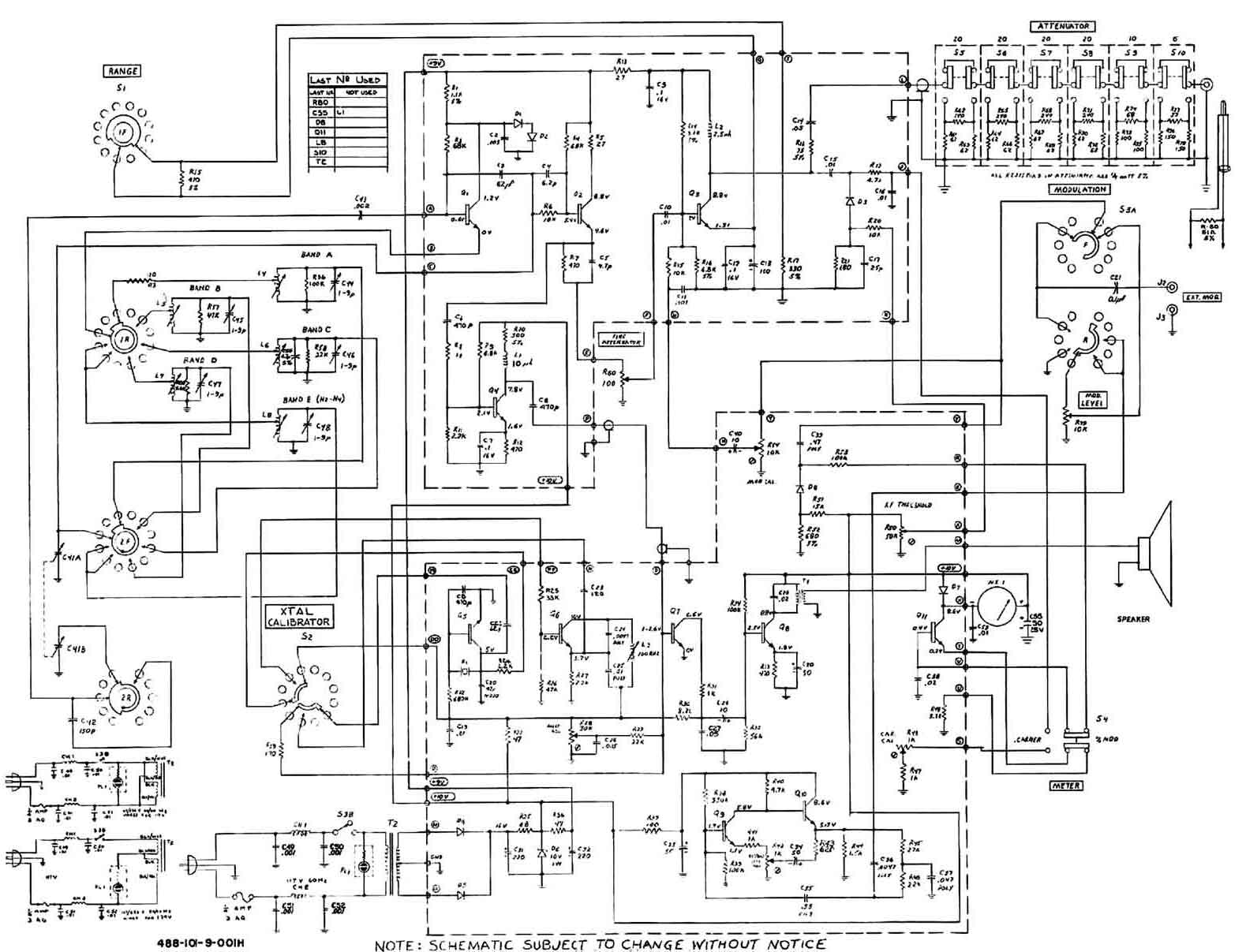
Voor de liefhebbers, het schema van de E-200-D met halfgeleiders.

Terug naar inhoudsopgave.

 

Documentatie

De documenten zijn van de BAMA-site.

Een pdf van de E-200-C met gebruiksaanwijzing van 1967

Een pdf over servicing.

 

Terug naar inhoudsopgave.

 

Flag Counter