Philips L2X84B

 

Een draagbare radio van 1958, nog geen transistoren, maar zuiver buizenwerk. Vier buisjes uit de 96-serie van Philips, de zuinige serie. Het geheel gestoken in een soort koffertje met gestikte naden.

Door op de afbeeldingen te klikken verkrijgt u een vergroting in een apart venster.

1. Beschrijving.

2. Detailfoto's van de eigenlijke ontvanger.

3. Documentatie

 

1. Beschrijving.

Een groenig frontje en een okergeel huis. Het luidsprekerrooster is goudkleurig en oogt altijd wat verwaarloosd wanneer de tand des tijds er mee bezig is geweest.

Hoewel in het bovenstaande document als luidspreker de AD2500Z wordt genoemd zijn de onderstaande exemplaren voorzien van een AD3500Z.

De bedieningsknoppen op de bovenzijde.

Aan de linker kant de aan/uitschakelaar, tevens bereikschakelaar en volumeregelaar. Aan de rechter kant de afstem-knop.

De drie standen van de schakelaar, OFF, MW en LW.( De grote knop). De binnenste knop dient voor de volumeregeling.

De afstemknop met op de ene helft de schaal voor de middengolf die correspondeert met het pijltje aan de bovenkant. De andere helft geeft het lange golf-gebied weer met als aanwijzer het driehoekje aan de onderzijde.

De draagbeugel is op bovenstaande wijze bevestigd aan de zijkanten.

De achterklep, deze is met twee schroeven bevestigd en scharniert met de onderkant die ook uitklapbaar is.

De neergeklapte achterwand met zicht op de luidspreker, een AD3500Z. Deze luidspreker heeft een relatief groot formaat en zorgt voor een goede geluidsweergave.

Wanneer de onderkant ook losgedraaid wordt ( twee schroeven) komt het binnenwerk tevoorschijn. Links de ontvanger en rechts de plek voor twee parallel geschakelde 1,5 Volts batterijen. Op de twee vierkante vlakken aan de linker bovenkant rust de anode-batterij van 67,5 Volt. Aan de beide zijkanten kan de toegang tot de batterij-compartimenten opgeklapt worden.

De types batterij die in verschillende landen voor dit toestel gebruikt kunnen worden. Eén anodebatterij en twee mono-cellen. De afmetingen van de anodebatterij zijn 90 x 70 x 33 mm. In Nederland zal LB530 van "De witte kat" wel gebruikt zijn. Deze komt overigens overeen met de Berec B101 en de Leclanché B 101 W. Ze leveren allemaal 67,5 Volt.

Op de rechteklep is de buizenbezetting te zien.

Het typeplaatje met serienummer 11596. De middenfrequentie bedraagt 470 kHz

Het ontvangst-gedeelte met op deze foto de eindbuis, een DL96. Degelijke porselijnen buisvoeten.

Rechts is de volumeregelaar te zien, een logarithmische 500 kOhm potmeter.

Door een toeval kwam ik een chassis van de ze ontvanger op internet tegen. Voor een schappelijk prijsje heb ik dat aangeschaft om er weer een werkende radio van te maken. De volgende foto's zijn van dat chassis gemaakt. De pientere kijkertjes zullen ontdekken dat de twee serienumers verschillen.....

De voorkant met de luidspreker en een redelijk klankbord.

De bovenkant met ferritstaaf en bedieningsorganen.

De arm aan de knop bedient de bereikschakelaar. De binnenas is van de volumeregelaar. De luidspreker is wat aan de roestige kant, maar daar heb ik nog wel een vervanger voor. Het rubber van de antennebevestiging is verdroogd en moet vervangen worden.

De afstem-condensator. Onder deze C is de schakelaar voor golfbereiken te zien. Een wat kromme constructie maar het werkt. Rechts de drukknopen voor de anodebatterij aansluiting.

Het ontvangstgedeelte met links boven de DK96 mengbuis, daar onder de MF-versterker, een DF96, dan een DAF96 als LF-versterker en detector. Rechts daarvan de DL96 voor het oorverdovende geluid. Er kwam best wel veel lawaai uit voor het kleine uitgangsvermogen.

De rechter kant waar de twee mono-cellen geplaatst moeten worden. Hier is nog wel wat werk aan de winkel....

De onderkant met het serienummer 15693. Op deze foto niet goed te zien, maar het is echt waar.

Kijk maar!!

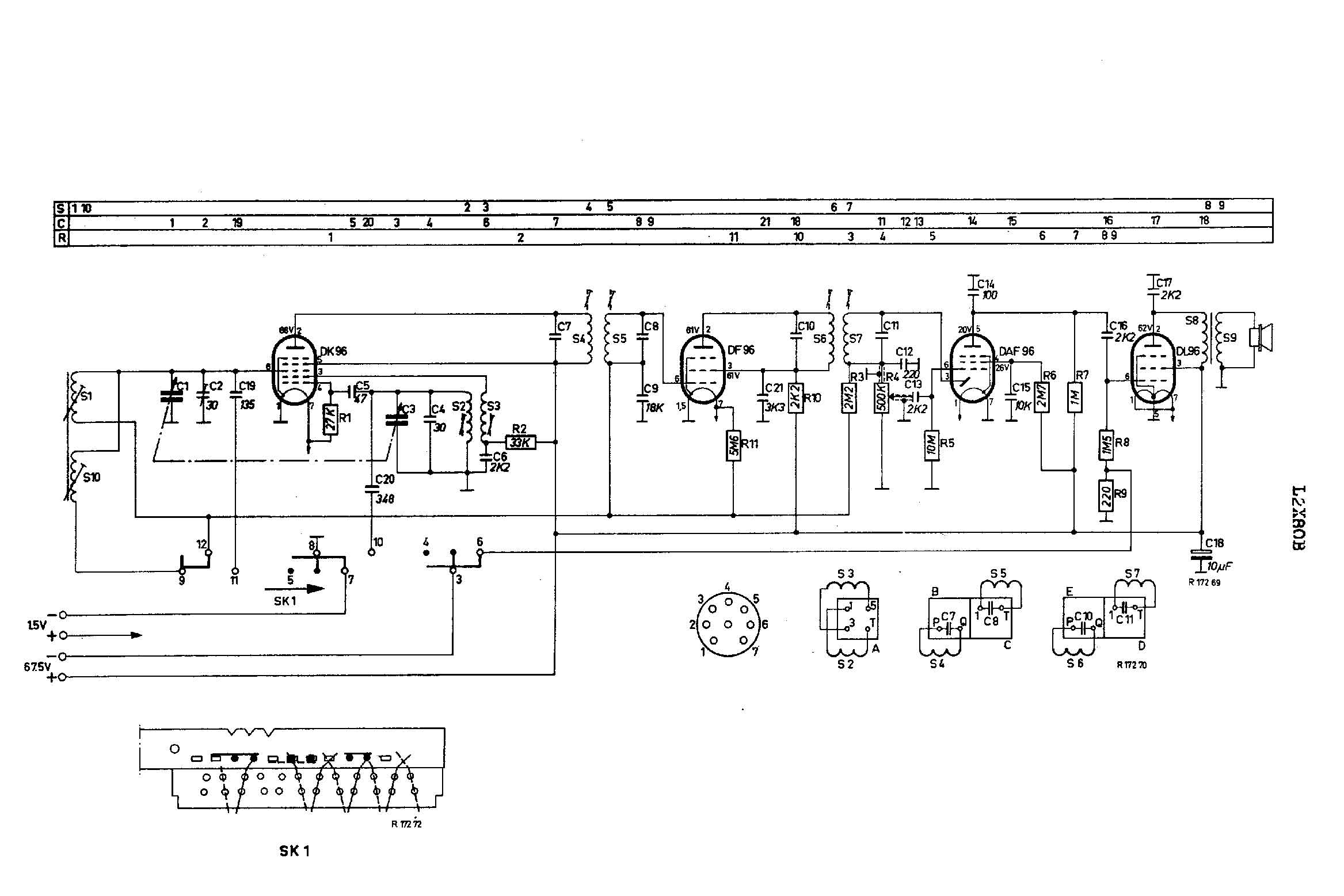
Het schema met wat commentaar van een vorige bezitter.

Hier het schema in maagdelijke toestand.

Terug naar begin van de pagina.

 

2. Detailfoto's van de eigenlijke radio.

Om mijn sloopexemplaar te kunnen repareren moest het geheel uit elkaar gehaald worden. Een stevige klus omdat enkele schroeven redelijk vast geroest waren en sommige bevestiginge spontaan loslieten (klinknagels).

Bovenaanzicht, links de dubbeleafstem-C, dan rechts daarvan, boven de oscillatorspoel voor midden- en lange golf. Eigenlijk alleen voor de mideengolf, in de lange-golfstand wordt een extra condensator parallel aan de afstem-C geschakeld. Daaronder de de mengbuis, een oktode van het type DK96. Daar onder de eerste MF-trafo voor 470 kHz. Dan de MF-versterker, een DF96 die voorlopig vervangen is door een DF91. Dan de tweede MF-rafo met daar naast de detector en eerste LF-versterker een DAF96. En als laatste de eindversterker, een DL96.

De rechter zijkant met de bandschakelaar.

De bandschakelaar. Het oog geheel rechts is voor de koppeling van de verbindingsarm naar de potmeter-as.

De onderkant met zijn componenten. De weerstanden zijn allemaal binnen de tlerantie en bij de condensatoren zijn geen defecte gevonden. Alleen de EK96 en de DL96 waren stuk. Deze heb ik vervangen en de radio werkte zowaar weer. Dus begonnen met afregeling van de MF-versterker. Maar ja, daar moest het chassis recht-op gezet worden. Dat lukte, maar bij de afregeling van de tweede MF-trafo viel het chassis om en raakten de 67,5 Volt draad en de 1,5 Volt elkaar met als gevolg dat alle vier D-buisjes naar de buizenhemel vertrokken zijn. Op de DF96 had ik nog reserves, de DF heb ik vervangen door een DF91, die trekt eens zo veel gloeistroom, 50 mA en verder bijna gelijk aan de DF96. 

De onderkant nog eens van de ander kant bekeken. De losse draden bij de afstem-C moet aan de ferrit-staafspoelen gesoldeerd worden.

De linker zijkant. Goed is te zien dat de twee delen van de afstem-C niet gelijk zijn. Die met de kleinere platen is voor de oscillator.

Een blik op de LF-eindbuis, ziet er toch wat donker uit aan de onderkant. Toch maar eens op de buizentester zetten hoewel het allemaal wel werkt.

Aan draden in de grijze verbindingskous is de volume-potemeter gesoldeerd.

Terug naar begin van de pagina.

 

3. DOCUMENTATIE in pdf.

De Nederlandse versie.

De Franstalige uitvoering.

 

Terug naar begin van de pagina.

Flag Counter