Muiderkring, MK. Super 4346

Een radiokameraad attendeerde mij op een advertentie van een Muiderkring radio. De ontvanger zag er als nieuw uit en ik was gauw overgehaald om er op te bieden. Maar ja, bieden en kopen zijn twee zeer verschillende zaken. Maar in dit geval kon ik het apparaat voor de vraagprijs kopen en het transport naar Goor was ook al eenvoudig opgelost. Het resultaat is dat het Model 4346 nu hier staat. Wel toevallig dat het nummer uit het geboortejaar van mijn zus (43) en mijn jaar (46) bestaat.

Door op de afbeeldingen te klikken verkrijgt u een vergroting in een apart venster.

De bouwbeschrijving toonde adembenemende afbeeldingen die je gelijk naar de soldeerbout laten grijpen.

Een prachtige kast, maar die moet je dan nog wel maken.

De componentenopstelling, natuurlijk iedereen mocht daar zo zijn eigen ideeen over hebben zodat er soms wat andere opstellingen verschenen, maar als voorstel was dit natuurlijk prima.

En zo ziet het exemplaar er uit. Groen overheerst op het front. Het ontwerp stamt uit 1946, dus nu in 2025 79 jaren oud.

Het vooraanzicht, de linker knop is de volumeregelaar met net-schakelaar, de middelste is voor de afstemming en de rechtse is van de bandschakelaar.

De schaal met daarop HILVERSUM I en II. Verder zijn de regionale omroepen Zuid en Noord duidelijk op de schaal geprint. De stationsbenamingen zijn voornamelijk plaatsnamen en niet de fantasielose benamingen Radio 1 of BBC. Bij de gebruikte namen zag je de steden zo voor je en je waande je bij het beluisteren ervan dat je er ook aanwezig was.
Hoewel op de schaal ook de Visserijband vermeld wordt is deze bij dit ontwerp niet te ontvangen.

De ontvangstbereiken zijn met de gebruikte spoelset 604 en 644 als volgt:

Bereik van tot van tot in meters
         
Kort 18.75 MHz 5.77 MHz 16 52
Midden 1580 kHz 540 kHz 190 560
Lang 340 kHz 150 kHz 875 2000

De middenfrequentie bedraagt 471 kHz en hiervoor worden de trafo-types 31 en 32 gebruikt.

Met ingeschakelde verlichting, de twee lampjes aan de zijkant zijn voorzien van zilverpapier om er voor te zorgen dat je niet verblind wordt. Wanneer het toestel in een kast zit zie je ze echter toch niet. maar ja, die kast. Verder is de bereiksindicatie ook verlicht, achter het felrode Amroh-venstertje is ook een lampje aanwezig, een tweede zelfs voor VG en KG. Nu staat het toestel dus op de MG afgestemd.

't Ja, die trommel had ook kleiner gekund, maar het staat wel indrukwekkend en je hebt geen last van overlappende en zichzelf blokkerende afstemsnaren.

Op deze foto zijn de twee spoelen 644 en 623 te zien. Het type 623 is een zogenaamd fluitfilter dat MF-signaaltjes van 471 kHz onderdrukt.

De achterkant met van links naar rechts de eerste MF-trafo ( 31) dan de mf-versterker met een EBF2. Dan volgt de tweede MF-trafo, 32. Tussen de voedingstrafo en de tweede MF-trafo staat de eindversterkerbuis, een EL3N. Dat buistype gebruikte ik vroeger voor mijn ( illegale) middengolfzender waarmee ik wel afstanden van 5 km kon overbruggen.

Op deze afbeelding is te zien dat ook de entrees voorzien zijn van teksten. Met het kleine schakelaartje naast de pick-up ingang kan de radio omgeschakeld worden van ontvanger naar LF-versterker . ( Wel een wat moderne schakelaar). Verder staan me de gebruikte kruiskop-schroeven tegen, dat wordt nog veranderd.

De zware jongens, de EL3N en de trafo lijkt wel "net nieuw uit doos". Het is een P120D.

Op bovenstaande foto is dat beter te zien. De trafo wordt geflankeerd door de zeer bekende AZ1 gelijkrichter. Er is zelfs een echt spannings-caroussel aanwezig!

Het naderhand aangebrachte afstemoog. Een beetje een vreemde plek, maar andere mogelijkheden zijn er ook nauwelijks.Het is een EM4.

De volumeregelaar lijkt verdacht veel op een Philipstype.

Totaaloverzicht van de onderkant. Het chassis wordt verstevigd met drie dwarsverbindingen.

Hier zijn de twee bandspoelen te zien, horizontaal de 644 oscillatorspoel en vertikaal de 604 antennespoel met bijbehorende trimmers.

Gelukkig zijn alle slechte papiercondensatoren al vervangen door de uitstekende "mosterd"-types van Philips. De bruinige weerstanden komen ook uit Eindhoven.

De Philips potmeter en daaronder een afvlak-smoorspoel van Amroh, type 6006, goed voor een stroom van 60 mA.Die rode afgeschermde leidingen worden ook nog vervangen door ouderwetse exemplaren.

De luidsprekeruitgang met daarboven de voet van de AZ1. Er is zelfs een zekering gemonteerd!!

Bovenaanzicht, onder de dubbele afstem-C de mengbuis, een ECH3, daar onder de 1. MF-trafo, met rechts daarvan de MF versterker EBF2 met de detector-diodes. Boven de tweede MF-trafo (midden) een EF9 die als LF-versterker ingezet is. En daar boven de EM4. Rechts naast de 2. MF, de EL3N met daar naast de trafo met daar boven de AZ1.

Op deze afbeelding een iets andere opstelling van de componenten

De maten van het boven getoonde chassis.

Dit is het oorspronkelijke schema met een EM1 als indicator.

De stuklijst.

Het was ook mogelijk om een moderner spoelblok te gebruiken, in 1950 verscheen er een artikel in deel 2 van de serie "Jongensradio".

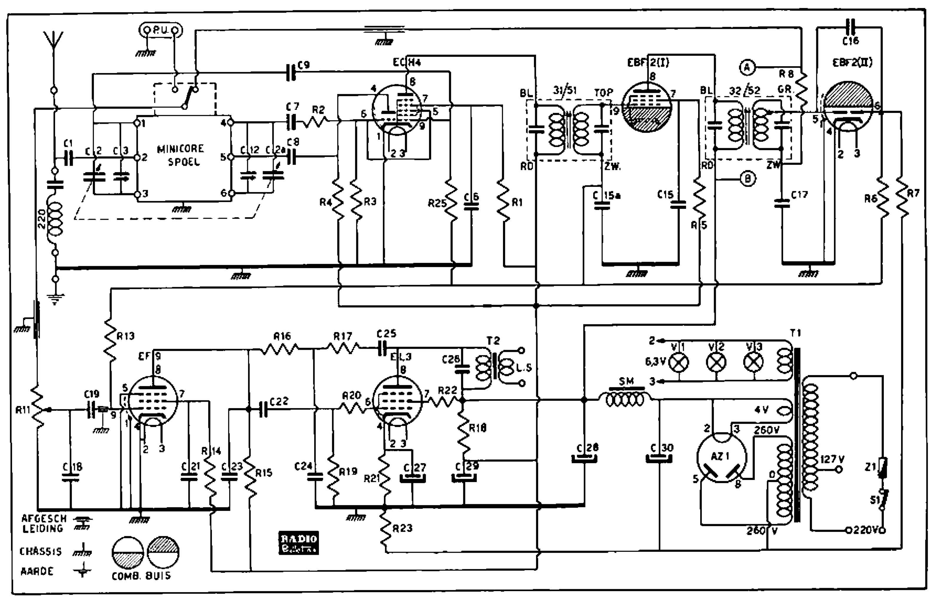
Het schema met een mini-core-spoelblok, dat kan de 736 ( drie banden) of de 148 ( vier banden met visserijband) zijn.

Ook de gbruikte EM1 kon worden geruild voor een EM4.

Hierbij het schema met de EM4. Het lijkt wel of het uit het Chinees vertaald is, toen ook al?

Dan nog enige documenten in pdf.:

Het model-ontwerp van de MK4346.

Het oorspronkelijke schema.

De bouwbeschrijving van de MK-4346 en MK 4546.

 

 

Flag Counter