Muiderkring, MK. Super 4346, een andere uitvoering.

De bouwontwerpen van de "Muiderkring" waren bijzonder populair onder de radioamateurs. Niet alleen de zendamateurs, maar ook voor mensen die zich een dure kant en klare radio niet konden permiteren was dit een ware uitkomst. De kast er omheen kon naar eigen smaak en middelen worden gerealiseerd. Vaak vond men de aanblik van gloeiende radiolampen veel indrukwekkender dan de op hoogglans opgepoetste houten kasten. Voor de geluidsweergave werden ook vaak de luidsprekerkast-ontwerpen ( Bas-reflex-kasten) van de Muiderkring gebruikt. Voor een uitgebreide beschrijving van het ontwerp MK-super 4346 verwijs ik naar de betreffende pagina op deze site: MK Super 4346. Hieronder in het kort wat informatie over dit ontwerp dat in dit geval voor het golfgebied van 48 tot 170 meter gemaakt is.

Dit exemplaar kreeg ik van een bekende Zeeuwse zendamateur, Cor van Doeselaar, PA0AM, die in het dorpje Turkeye ( gemeente Sluis) woont.

Door op de afbeeldingen te klikken verkrijgt u een vergroting in een apart venster.

De bouwbeschrijving toonde adembenemende afbeeldingen die je gelijk naar de soldeerbout laten grijpen.

Een prachtige kast, maar die moet je dan nog wel maken.

De componentenopstelling, natuurlijk iedereen mocht daar zo zijn eigen ideeen over hebben zodat er soms wat andere opstellingen verschenen, maar als voorstel was dit natuurlijk prima.

En zo ziet het hier beschreven exemplaar er uit. Een aluminium frontplaat, niet echt ideaal als klankboord voor de ook nogal kleine luidspreker. Maar het toestel was om de amateurbanden te beluisteren in AM en niet voor HIFI-muziek-ontvangst.

Het vooraanzicht, de linker knop is de volumeregelaar met net-schakelaar, in het midden de luidspreker en rechts de afstemknop. Deze knop is afkomstig van de Amerikaanse vliegtuigzender BC-191 ofwel de "VT-bak". Deze laatste uitdrukking is afkomstig uit het piraten-jargon, die zender werkte met een aantal VT-4C buizen, tegenwoordig goud waard en werd veel door middengolfpiraten gebruikt. De knop had een mooi vertragingsmechaniek en hiermee is zelfs afstemmen op de kortegolf prima te doen. Je hebt natuurlijk wel een referentie kaart nodig om de schaalcijfers in een frequentie om te zetten. Maar het zorgde er wel voor dat je geen dure, breekbare schaal hoefde te monteren met allerlei wieltjes, snaartjes en een groot afstemwiel op de variabele condensator.  Ik geef daar ook wel eens de voorkeur aan. Het toevoegen op de frontplaat van een Chinese digitale counter die de Oscillatorfrequentie min de middenfrequentie aangeeft is wat handiger dan zo'n moeilijke schaal. Maar ja, eigenlijk oogt het niet!!! Maar gemak dient de mens. Rechts boven de witte aansluitbus voor de antenne.

De achterkant met van links naar rechts de mengbuis, ECH4, dan de eerste MF-trafo ( 51) dan de mf-versterker met een EBF2, tevens detector. Dan volgt de tweede MF-trafo, 52. met rechts daarvan een EF9 die als LF-versterker gebruikt wordt. Dan volgt een EL3 N, de eindversterkerbuis. Dat buistype gebruikte ik vroeger voor mijn ( illegale) middengolfzender waarmee ik wel afstanden van 5 km kon overbruggen. De gelijkrechter, uiterst rechts is een AZ1. Het chassis schijnt iets van een transistor stereo-versterker te zijn geweest, dus het toestel is een nabouw van het ontwerp in de latere jaren toen de transistor al goed ingeburgerd was,

De rechter zijkant met de dubbele afstem-C van het type Novocon 201. Rechts de ECH4. Op de originele bouwtekeningen was de afstem-C om 90 graden gedraaid met de as naar je toe. Daar was dan het grote snaar-wiel voor de afstemming aan bevestigd.

De linker kant met de AZ1 en een voedingstrafo van het merk ROBOT, indertijd een zeer bekende leverancier van trafo's. Het chassis toont een lichte doorbuiging onder de last van de trafo.

Bovenaanzicht van het toestel. Het blauwe draadje aan de rechterkant is voor de antenne-aansluiting. De vaste platen van de eerste sectie van de afstem-C zijn via de koppelcondensator van 100 pF direct met het signaalrooster van de ECH4 verbonden.

En zo ziet de onderkant er uit. Op de volgende afbeeldingen wat details.

De twee HF-spoelen. Dat ziet er wel erg magertjes uit. De spoelen zijn van het type 602 en 642, de eerste is de antennespoel (bovenste) en de tweede is de oscillator-spoel. Het ontvangstbereik van deze combinatie loopt van 48 tot 170 meter, of 6,38 MHz tot 1,76 MHz. Dat is ongeveer de 49 meter omroepband tot de 160 meter band. Om het geheel wat gelijk te laten lopen was een trimmer over de 602 wenselijk. Zie documentatie van de spoelset: 602 en 642.
Er was in het front al een gat voorzien voor een spoelblok of een schakelaar voor andere spoelsets. Ruimte genoeg!.

Een gezicht op de mengbuis (rechts) en de eerste MF-buis.  Boven de oscillatorspoel, 642. De Ducati-ontkoppel-C zal waarschijnlijk wel moeten worden vervangen, evenals alle WIMA-condensatoren, die waren niet zo heel goed... De oranje keramische condensator van 22 pF maakt deel uit van het detector- en AVC-circuit.

Links de LF-voorversterker ( EF9) . Het ziet er allemaal prachtig en uitermate overzichtelijk gebouwd uit. Zoals het op de plaatjes van de bouwontwerpen getekend was. De groene gevlochten draden zijn van de gloeispanning-voorziening.

Links de buisvoet van de gelijkrichtbuis AZ1 en rechts daarvan de eindbuis EL3N. Ook hier vele Wima-condensatoren.

Op de voorgrond de smoorspoel van het afvlakfilter met de volumeregelaar er achter. De trafo met de zwarte kern is de uitgangstrafo van de LF-versterker.

Het is ook mogelijk om een moderner spoelblok te gebruiken, in 1950 verscheen er een artikel in deel 2 van de serie "Jongensradio".

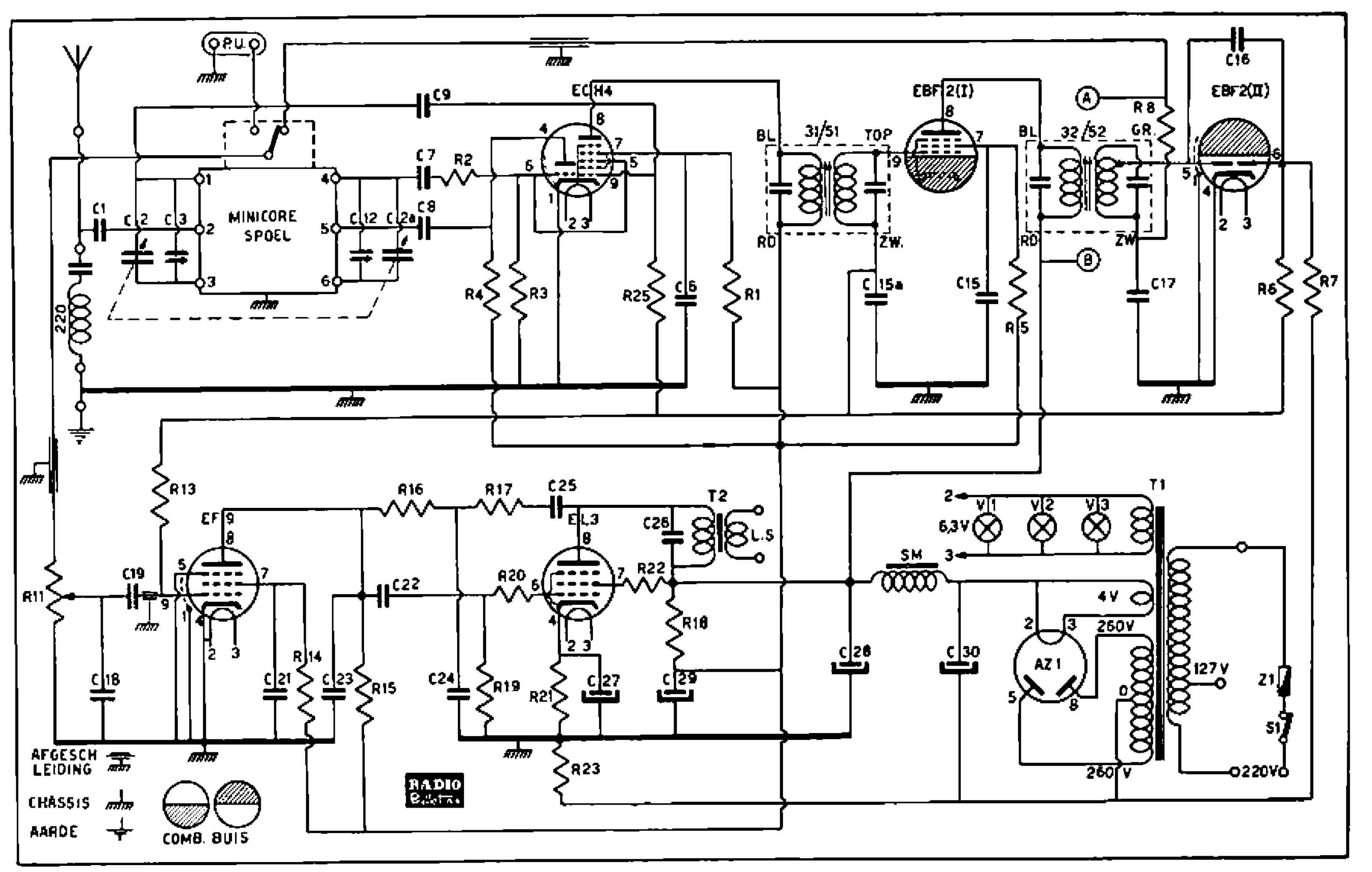
Het schema met een mini-core-spoelblok, dat kan de 736 ( drie banden) of de 148 ( vier banden met visserijband) zijn. In dit schema wordt ook aangegeven dat de types 31/51 of 32/52 als MF-trafo kunnen worden gebruikt.

De schemasleutel.

Om deze ontvanger in de huidige tijd te kunnen gebruiken voor de 160- , 80- en 60-meterband zal een zwefingsoscillator ingebouwd moeten worden. Binnenkort maar eens proberen om na het vervangen van de slechte condensatoren de radio aan de praat te krijgen.
De Wima-condensatoren zijn allemaal vervangen, de hoogspanningselco's geformeerd en het toestel doet het uitstekend. De middenfrequentie is 462 kHz en het ontvangstbereik loopt van 1,39 tot 6,3 MHz. De middengolf piratenband, 160, 80, 60 en 49 meter zijn goed te beluisteren. Alleen dat BFO, dat moet er nog wel ingebouwd worden en een kleine fine-tuning condensator is toch geen overbodige luxe.
Het toestel is verrassend gevoelig en dat met de eenvoudige opzet en het gebruik van hoogbejaarde buizen.

Dan nog enige documenten in pdf.:

Het model-ontwerp van de MK4346.

Het oorspronkelijke schema.

De bouwbeschrijving van de MK-4346 en MK 4546.

 

Flag Counter